服务热线:17710366863

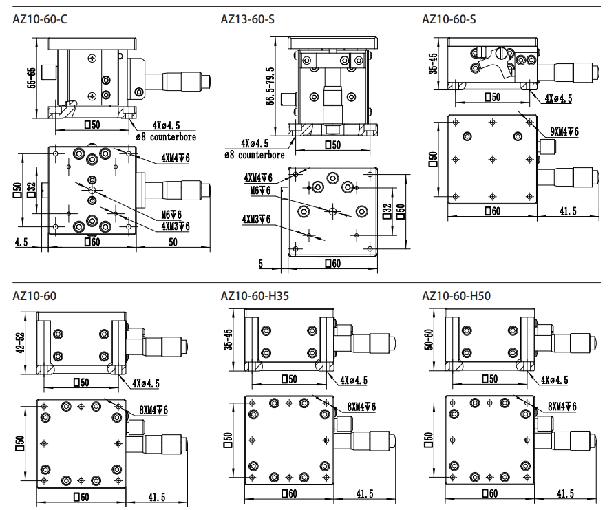
手动位移台

精密升降台

发布日期:2025-05-13

7

1750597599123175059763167860台面系列

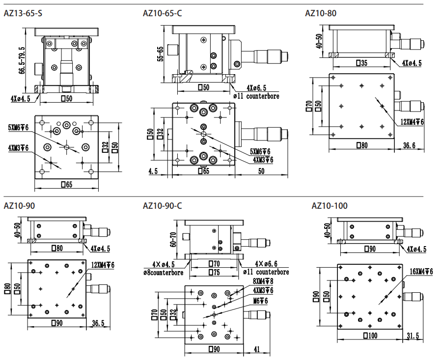
1750597683311 175059770146665/80/90/100台面

17505978214601750658079501


分享到: