服务热线:
17710366863
网站首页
关于我们
产品中心
光学平台
定制系统
光学元件
手动位移台
丝杆导轨位移台
压电位移台
直线电机多轴组合平台
直线电机机械导轨
直线电机气浮导轨
在线留言
联系我们
17710366863
产品中心
PRODUCTS
光学平台
光学面包板
阻尼隔振光学平台
气浮隔振光学平台
仪器支架
附件
定制系统
光学元件
手动位移台
丝杆导轨位移台
压电位移台
大行程压电
代理压电
压电扫描台
直线电机多轴组合平台
直线电机机械导轨
直线电机气浮导轨
北京晟光宏图科技有限公司
电话:17710366863
联系人:赵经理
办公地址:北京市通州区梨园镇京洲苑864号
联系我们
CONTACT us
直线电机气浮导轨
当前位置:
首页
产品中心
直线电机气浮导轨
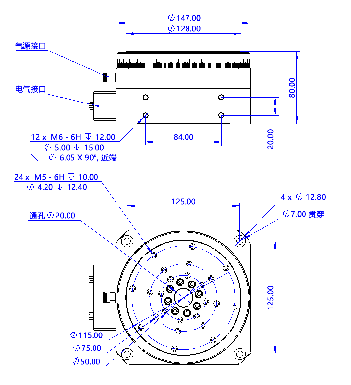
ABRX-M200气浮转台
发布日期:2025-05-13
分享到:
下一篇:
ABRX-M150气浮转台
友情链接:
超越无限
电话
咨询热线:
17710366863